国产精品 久久I欧美孕交vivoestv另类I亚洲国产精品999I在线电影 你懂得I深爱激情五月网I黄色一级大片在线免费看国产一I天天干天天干I亚洲视频 视频在线

全國服務熱線

0917-312584915891077471

鈦合金鍛件·鈦合金棒鈦加工件生產制造商
鈦及鈦合金餅和環國家標準GB/T 16598-2013
搜索:
當前所在位置:首頁 >> 新聞資訊 >> 技術資料

鈦及鈦合金餅和環國家標準GB/T 16598-2013

發布時間 :2022-07-10 06:03:25 瀏覽次數 :

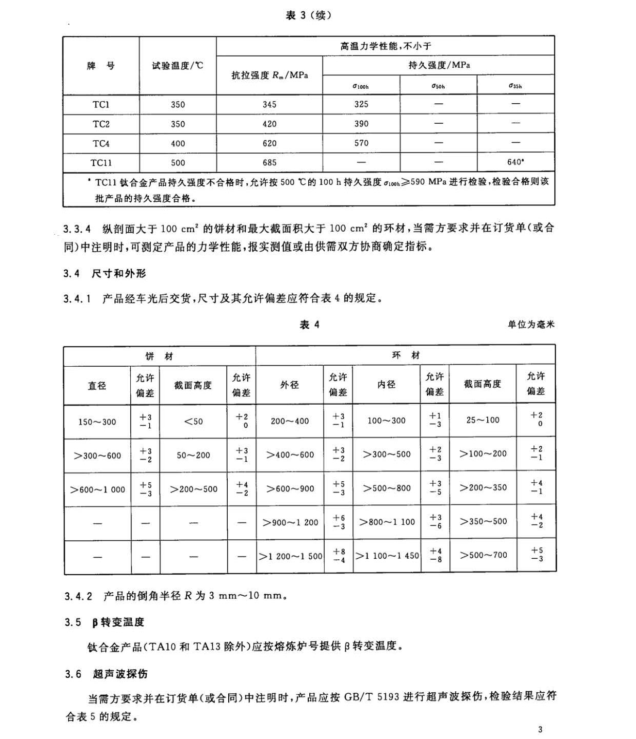
《鈦及鈦合金餅和環國家標準GB/T 16598-2013》,本標準規定了鈦合金餅、鈦環材的技術要求、試驗方法、檢驗規則和標志、包裝、運輸、儲存及質量證明書與訂貨單(或合同)內容。

本標準適用于鍛造和軋制方法生產的鈦及鈦合金餅材和環材。

寶雞巨偉鈦業結合相關資料,將該標準規范的詳情內容,整理如下:

相關鏈接

在線客服
客服電話

全國免費服務熱線
0917 - 3125849
掃一掃

bjjwtai.com
巨偉鈦業手機網

返回頂部